DJ-131/60C繼電器_DJ-131/60C電壓繼電器_廠家直銷
電壓繼電器系列
DJ-131/60C電壓繼電器應用范圍
DJ-131/60C電壓繼電器為電磁式瞬動電壓繼電器。廣泛用于電力系統二次回路保護線中,作為低電壓和過電壓保護的啟動元件。
DJ-131/60C電壓繼電器主要技術參數

動作時間:過電壓繼電器在1.1倍實測動作值時,動作時間不大于0.12s;低電壓繼電器在0.5倍實測動作值時,動作時間不大于0.15s;
觸點容量:在電壓不超過250V,電流不超過5A,時間常數為5 ±0.75ms的直流有感負荷電路中,產品輸出觸點的斷開容量為50W。輸 出觸點在上述規定的負荷條件下,產品能可靠動作及返回5×104次。輸出觸點長期允許接通電流為5A。
介質強度:產品各導電端子連在一起,對外露的非帶電金屬部分或外殼之間,能承受2000V(有效值)50Hz交流電壓歷時1分鐘試驗而 無絕緣擊穿或閃絡現象。
DJ-131/60C電壓繼電器內部接線及外引接線圖(正視圖)

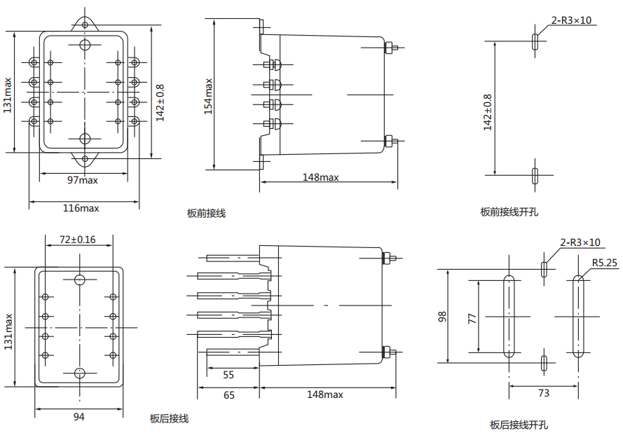
DJ-131/60C電壓繼電器外形尺寸及開孔尺寸



打印當前頁
發郵件給我們: 1932551438@qq.com
手機: 18930817953




