電壓繼電器與差動繼電器區別和應用-上海上繼科技有限公司
發表時間:2019-07-25 16:24 瀏覽次數:654 〖返回〗
BCH-1差動繼電器具有一個制動繞組,能對兩繞組及三繞組電力變壓器進行單相差動保護。
一、BCH-1差動繼電器的開孔尺寸

二、BCH-1差動繼電器的參數
1.額定定電流5A,額定頻率50Hz。
2 無制動時繼電器的起始動作安匝AWo=60±4。
3.當用于保護三繞組電力變壓器時,其動作電流可在3A至12A的范圍內進行整定(AWo=60) ,對于動作的最小整定值,其**平衡系數接近于2 。
當用于保護兩繞組電力變壓器時,其動作電流可以在1.55A至12A的范圍內進行整定。
4.由動作電流與制動電流的比值所決定的制動系數Kz可以在廣泛的范圍內變化,圖3的制動特性AWp=f(AWz)是其極限范圍,它與工作電流濟口制動電流間的相位角有關,但無論在任何角下都不應越出曲線的范圍,,5.可靠系數(當一次動作電流等于5IDz的繼電器正弦動作電流與當一次動作電流等于5IDZ的正弦動作電流的比值)不小于1.35。

6. 3倍動作電流時差動繼電器的動作時間不大于0.035s。
7.繼電器具有一個動合觸點,在電感性負荷的直流電路中, (其時間常數不大于5x10's) ,且電壓不大于220V,電流不大于2A時,觸點的斷開容量50W。
8.在正常工作狀態下當電流為5A且變流器的制動繞組平衡繞組在全部匝數投入的情況下繼電器的單相功率消耗不大于8.5VA。
9.變流器的工作、平衡和制動繞組可長期通過電流10A。
10.介質強度 繼電器的電路對外露非帶電金屬部分之間應能耐受2kV, 50Hz的交流電壓歷時1min而無擊穿或閃絡現象。
11.繼電器的繞組數據如表1所示。

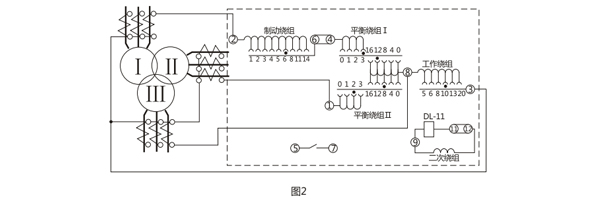
三、BCH-1差動繼電器的接線圖


JY-11A靜態電壓繼電器用于發電機、變壓器和輸電線的繼電保護裝置中,作為過電壓保護或低電壓閉鎖的啟動元件。本繼電器為集成電路靜態型繼電器, 精度高、功耗小、動作時間短、返回系數高、整定直觀方便、范圍寬,且作為低電壓繼電器使用 無抖動現象, 提供輔助電源后完全可以替代電磁型電壓繼電器,輔助電源采用開關電源變換,交直流通用,工作范圍大,從100-300V均能可靠工作。
一、JY-11A電壓繼電器的接線圖

二、JY-11A電壓繼電器的參數
1、輔助電源:AC、DC、100~220V
2、過載能力:交流回路允許長期接通1.2倍額定值。
3、電壓整定范圍1~240V,40~440V,級差1V。
4、功率消耗:
a、交流回路功耗小于1VA(交流額定值100V時)
b、直流回路功耗:見下表

5、整定誤差
a、整定值在1V-440V范圍內,整定平均誤差的絕對值不大于3%,平均誤差=(5次測量平均值-整定值)/整定值×100%。
b、在基準條件下,同一整定值上測量的5次動作值的**值和最小值應不大于的4%。
c、在-10℃~50℃的溫度下,任一整定點誤差的絕對值應不大于整定值的4%。
d、在輔助電壓80~110%變化范圍內,任一整定值整定誤差的絕對值應不大于4%。
6、動作時間
a、過電壓繼電器:1.2倍整定值的動作時間不大于25ms;2倍整定值的動作時間不大于20ms;
b、低電壓繼電器:0.5倍整定值的動作時間不大于20m。
7、返回系數
a、過電壓繼電器返回系數為0.85~0.95;
b、低電壓繼電器返回系數為1.02~1.12;
8、返回時間:不大于27ms。
三、JY-11A電壓繼電器的開孔尺寸

公司介紹:上海上繼科技有限公司是一家專業從事電力系統繼電保護及智能電網電力自動化產品的研發、設計、生產、銷售和服務為一體的高科技公司。擁有資深繼電保護專家團隊和國內**的檢測儀器及校驗設備。同時還引用國內外先進技術,來進行技術創新。本公司的產品廣泛用于電力、工礦、鐵路、建筑等國家重大工程輸配變電系統上,產品遠銷東南亞及中東地區。產品通過國家繼電保護及自動化設備質量監督檢驗中心檢測,獲得ISO-9001:2000國際質量體系認證。“科技創新,誠信務實”是公司的經營理念,本公司以高超的技術支持和對用戶高度負責的售后服務贏得了輸配電成套企業的信賴,且樹立了良好的信譽。
上海上繼科技有限公司(專注電力保護繼電器生產廠家)銷售熱線:021-57233089 QQ:1932551438
{以上內容僅供參考,上海上繼科技有限公司有最終解釋權}
更多繼電器精彩文章——JY-A/4/210電壓繼電器技術數據及開孔尺寸
- 上一篇:電壓繼電器與雙位置繼電器區別和應用
- 下一篇:電壓繼電器與重合閘繼電器區別和應用





