DS-28時間繼電器技術參數及主要用途-上海上繼科技有限公司
發表時間:2020-03-24 11:38 瀏覽次數:1068 〖返回〗一、DS-28時間繼電器技術參數


·動作值: DS-21~24不大于70%額定電壓; DS-21C~24C不大于75%額定電壓; DS-25~28不大于85%額定電壓。
·返回值:不小于5%額定電壓。
·觸點容量:在電壓不超過250V,電流不超過5A,時間常數為5±0.75ms的直流有感負荷電路中,產品輸出觸點的斷開容量為50W。輸出觸點在上述規定的負荷條件下,產品能可靠動作及返回5x104次。輸出觸點長期允許接通電流為5A。
·介質強度:產品各導電端子連在一起,對外露的非帶電金屬部分或外殼之間,能承受2000V(有效值)50Hz的交流電壓歷時1分鐘試驗而無絕緣擊穿或閃絡現象。
·外附電阻對照表

二、DS-28時間繼電器產品價格
公司一貫以“合理的價格,高質量的產品,準時的交貨期,良好的信譽服務”為基本準則。本公司期待成為你忠實的朋友和合作伙伴,共創互惠雙贏的未來!更多價格詳細內容請來電咨詢:021-57233089,如有任何疑問可以在線聯系公司客服。
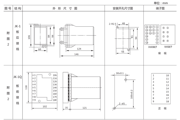
三、DS-28時間繼電器開孔尺寸

四、DS-28時間繼電器接線圖

公司介紹:上海上繼科技有限公司是一家專業從事電力系統繼電保護及智能電網電力自動化產品的研發、設計、生產、銷售和服務為一體的高科技公司。擁有資深繼電保護專家團隊和國內**的檢測儀器及校驗設備。同時還引用國內外先進技術,來進行技術創新。本公司的產品廣泛用于電力、工礦、鐵路、建筑等國家重大工程輸配變電系統上,產品遠銷東南亞及中東地區。產品通過國家繼電保護及自動化設備質量監督檢驗中心檢測,獲得ISO9001國際質量體系認證。“科技創新,誠信務實”是公司的經營理念,本公司以高超的技術支持和對用戶高度負責的售后服務贏得了輸配電成套企業的信賴,且樹立了良好的信譽。
公司主營:繼電器(時間繼電器,電壓繼電器,電流繼電器,中間繼電器,信號繼電器,閃光繼電器,沖擊繼電器,同步檢查繼電器,接地繼電器,差動繼電器,重合閘繼電器,絕緣監視繼電器,雙位置繼電器,模數化繼電器),微機保護裝置,電力儀表,智能操控裝置
上海上繼科技有限公司(專注電力保護繼電器生產廠家)銷售熱線:021-57233089 QQ:1932551438
{以上內容僅供參考,上海上繼科技有限公司有最終解釋權}
更多繼電器精彩文章——DZB-226X中間繼電器產品價格及技術條件





