DS-31C/2時間繼電器接線圖及應用范圍-上海上繼科技有限公司
發表時間:2020-03-24 15:31 瀏覽次數:1106 〖返回〗一、DS-31C/2時間繼電器應用范圍
DS-31C/2時間繼電器作為輔助元件用于各種保護及自動裝置中,使被控元件達到所需要的延時,在保護裝置中用以實現主保護與后備保護的選擇性配合。

二、DS-31C/2時間繼電器使用和維護
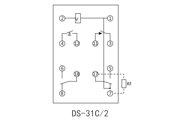
1.使用者應注意繼電器額定工作方式,若將短時工作的繼電器用于線圈回路長期帶電的場合,則繼電器線圈必過熱而損壞。長期工作繼電器有外附電阻,在使用時應按附圖中Rf的位置接入。
2.繼電器應裝在與水平面垂直的屏板上,并且在投入運行前應使繼電器通電動作。以免由于各運動部位不能復歸至原位,而引起延時的誤差。
3.繼電器在維修時,其鐘表機構部分各另件應使用航空汽油清洗,之后在各可動部位(滑動接觸部位)點以活量4#航空儀表油,在由電磁直接帯動的凸輪與扇形齒板間涂以低溫脂。電磁部分,動鐵心及線圈管中應擦試清潔。
三、DS-31C/2時間繼電器技術參數及接線圖
1.繼電器型號說明:
例: DS-31C/2XA11K
其中: DS表示電磁式時間繼電器。
31-38為設計序號,并用其第二位數字同時表示延時范圍,及電源種類(1-4為四種延時范圍同時表示直流電源, 5-8表示與1-4相同的延時范圍,但為交流電源)。
/2表示有滑動延時觸點。
/X表示有拖針。(見表1)
11K表示嵌入安裝,后接線
上例為:嵌入式,后接線延時為0.125-1.25s,長期工作,帯有滑動延時觸點及拖針的時間繼電器(型號不能表示電壓規格因而在訂貨時要注明額定電壓) 。
2.線圈電阻值(見表2 )
3.重量: 1Kg。




公司介紹:上海上繼科技有限公司是一家專業從事電力系統繼電保護及智能電網電力自動化產品的研發、設計、生產、銷售和服務為一體的高科技公司。擁有資深繼電保護專家團隊和國內**的檢測儀器及校驗設備。同時還引用國內外先進技術,來進行技術創新。本公司的產品廣泛用于電力、工礦、鐵路、建筑等國家重大工程輸配變電系統上,產品遠銷東南亞及中東地區。產品通過國家繼電保護及自動化設備質量監督檢驗中心檢測,獲得ISO9001國際質量體系認證。“科技創新,誠信務實”是公司的經營理念,本公司以高超的技術支持和對用戶高度負責的售后服務贏得了輸配電成套企業的信賴,且樹立了良好的信譽。
公司主營:繼電器(時間繼電器,電壓繼電器,電流繼電器,中間繼電器,信號繼電器,閃光繼電器,沖擊繼電器,同步檢查繼電器,接地繼電器,差動繼電器,重合閘繼電器,絕緣監視繼電器,雙位置繼電器,模數化繼電器),微機保護裝置,電力儀表,智能操控裝置
上海上繼科技有限公司(專注電力保護繼電器生產廠家)銷售熱線:021-57233089 QQ:1932551438
{以上內容僅供參考,上海上繼科技有限公司有最終解釋權}
更多繼電器精彩文章——DZB-214中間繼電器工作原理及說明書





