DCD-2A-差動繼電器-上海上繼科技有限公司
發表時間:2020-04-13 22:26 瀏覽次數:942 〖返回〗
一、DCD-2A差動繼電器開孔尺寸

二、DCD-2A差動繼電器接線圖
1.工作繞組和平衡繞組的整定。
打開殼罩,即可進行工作繞組和平衡繞組的整定。工作繞組、平衡繞2組均有抽頭可以滿足多種整定值的要求。繼電器整定板下方的數字即表示相應的繞組匝數。每個繞組分成兩段,這種設計可以用較少的抽頭,獲得較多的匝數組合,從而使整定范圍廣泛而不失其精細。繼電器每塊整定板上有兩個整定螺釘,每個整定螺釘可在各自的一段范圍內整定。兩個螺釘整定位置下所標示的數字之和即為繞組的整定匝數,,須注意的是,當同一整定板上的兩個整定螺釘沒整定在各自的范圍內或者不接入時,繞組是斷開的。
2.助磁特性曲線的整定
助磁特性曲線整定時,需抽出繼電器機芯,然后松開助磁特性標志牌上的三個鎖緊瓷盤可變電阻器的大螺釘(不需要擰下來,只松動即可),使旋組能自由轉動。轉動旋組,即可進行助磁特性曲線的整定。
2.1按規定曲線整定
繼電器規定有A、B、C、D四條曲線。該四條曲線在繼電器出廠前已按技術要求精心調試,故只需將旋鈕上的箭頭對準所需整定點即可。
2.2特殊要求整定
如需整定曲線在A、D曲線之間范圍內,但不在A、B、C、D四條曲線上時,可按下述方法進行整定:
1)由所需ε=f(K)曲線確定曲線在K=0.6時的ε值。
2)確定試驗時所需加入的直流電流值。
端子①、⑨間加入電流,工作繞組整定在20匝,平衡繞組整定在19匝,然后測出起始動作正弦電流值lcp。。由K=0.6及K=I/Icp。,計算出直流電流I=KIcp。=0.6Icp
3)確定磁盤可變電阻器的位置
由ε=Icp/Icp。計算出具有直流分量時交流動作電流Icp=εIcp。[ε值由第1)條確定;Icpo由第2)條測出]。工在繞組、平衡繞組分別整定在20匝及19匝,端子①、⑨間同時加入前面計算出的直流電流值I及交流動作電流Icp,調整可變電阻器,使繼電器的動作電流為Icp。
4)如需精確整定,可使可變電阻器旋組的指示位于前面整定的位置暫時不變,然后重復第2)條以后的各整定步驟,直至可變電阻器的整定位置不在變動為止。(因可變電阻器的阻值的變化,可使起始動作在一不大的范圍內發生變化)。
助磁特性曲線整定后,應把三個鎖緊螺釘均勻地緊固。
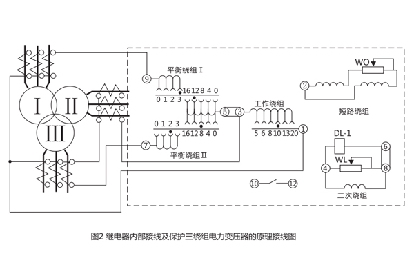
3.當繼電器用于保護三繞組電力變壓器時,應用兩個平衡繞組,并將它們分別接在環流回路的兩個臂上,這樣就能平衡三個環流回路里不平衡電流的效應,當用于保護兩繞組電力變壓器時,只需應用一個平衡繞組。在不平衡電流較大的情況下,平衡繞組接入環流回路,當不平衡電流較小,或用于保護交流發電機時,平衡繞組可以接人工作回路,以擴大整定值的范圍,平衡繞組的作用可以用兩個電流互感器二次電流的比值所決定的平衡系數來表示,實際的平衡系數應用繞組接入的匝數計算,技圖6的線路設I1、I2分別表示兩個電流互感器的二次電流,且I1,大于I2,平衡繞組通常安在電流臂上。當工作回路的合成磁化力為零時,不平衡電流的效應便被全部消除,因而得出下列方程式:

4.繼電器的起始動作安匝可借電位器W在不大的范圍內調整。調整時應先松開緊固螺帽,然后用一字型螺刀調節電位器旋柄即可。
5.在繼電器工作過程中,應注意不能改變能牌上指針的位。


三、DCD-2A差動繼電器工作條件
1.額定值:額定電流5A,額定頻率50Hz。
2.無直流分量時,繼電器起始動作安匝Awo=60±4。
3.當用于保護三繞組電力變壓器或交流發電機時,其動作電流可以在3-12A的范圍內進行整定(Awo=60);對于動作電流的最小整定值,其**平衡系數接近于2。
4.當用于保護兩繞組電力變壓器或交流發電機時,其動作電流可以在1.55-12A的范圍內進行整定。
5.繼電器的直流偏磁特性ε=f(K),可以用改變瓷盤可變電阻器阻值的方法進行連續調整a。當偏移系數K=0.6時,直流偏磁特性在各整定位置下的相對動作電流系數的誤差不超過-8%~+20%。繼電器的可靠系數應不小于1.35。
6.當差動繼電器動作時,其動作電流為Icp。執行元件相應的正弦動作電流為icpl,然后轉動指針持緊游絲,使得繼電器的動作電流為5Icp并測量執行元件相應的正弦動作電流icp5,技下式算出可靠系數:KH=icp5/icp1。
在相同情況下,當差動繼電器的動作電流為2Icp時,上述的值不小于1.2。
7.3倍動作電流時,差動繼電器的動作時間,不大于0.035s。
8.當變流器的一個平衡繞組和工作繞組全部匝數接入時,在保護區故障,且電流等于5A,繼電器的單相功率消耗不超過16VA。
9.在正常情況下,電流互感器的變比誤差被全部補償(變流器工作回路的磁化力相平衡,導磁體里磁通為零)。工作繞組與平衡繞組能長期通過10A電流。它是一個平衡繞組和工作繞組的全部數接入時,通直流電流進行試驗的。
10.工作繞組或每一個平衡繞組的直流電阻不應大于0.050。
11.觸點性能
繼電器觸點應能斷開電壓不超過250V及電流不超過2A,容量為50W的有感負荷(時間常數為5±0.75ms)的直流回路,觸點在此規定負荷條件下,繼電器應可靠動作1000次。
12.機械壽命:繼電器的機械壽命為104次。
13.繼電器各導電電路連接在一起對地(或絕象外殼的外長非導電金屬部分)以及在電氣上無聯系的各導電電路之間應能承受2kV(有效值)50Hz的交流試驗電壓歷時1min試驗而無絕緣擊穿或閃絡現象。
14.繼電器能耐受幅值為5kV的沖擊電壓,此后無絕緣損壞現象。
15.繼電器的繞組數據見表1。



公司介紹:上海上繼科技有限公司是一家專業從事電力系統繼電保護及智能電網電力自動化產品的研發、設計、生產、銷售和服務為一體的高科技公司。擁有資深繼電保護專家團隊和國內**的檢測儀器及校驗設備。同時還引用國內外先進技術,來進行技術創新。本公司的產品廣泛用于電力、工礦、鐵路、建筑等國家重大工程輸配變電系統上,產品遠銷東南亞及中東地區。產品通過國家繼電保護及自動化設備質量監督檢驗中心檢測,獲得ISO9001國際質量體系認證。“科技創新,誠信務實”是公司的經營理念,本公司以高超的技術支持和對用戶高度負責的售后服務贏得了輸配電成套企業的信賴,且樹立了良好的信譽。
公司主營:繼電器(時間繼電器,電壓繼電器,電流繼電器,中間繼電器,信號繼電器,閃光繼電器,沖擊繼電器,同步檢查繼電器,接地繼電器,差動繼電器,重合閘繼電器,絕緣監視繼電器,雙位置繼電器,模數化繼電器),智能操控裝置,微機保護裝置,電力儀表
上海上繼科技有限公司(專注電力保護繼電器生產廠家)銷售熱線:021-57233089 QQ:1932551438
{以上內容僅供參考,上海上繼科技有限公司有最終解釋權}
更多繼電器精彩文章——JJJ-4A絕緣監視繼電器的原理及開孔尺寸
- 上一篇:BCH-2差動繼電器
- 下一篇:DCD-5A差動繼電器





