JSL-23靜態過流繼電器-上海上繼科技有限公司
發表時間:2020-05-18 23:08 瀏覽次數:876 〖返回〗
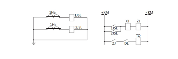
一、JSL-23靜態過流繼電器應用接線舉例
1、采用直流操作電源

如上圖所示為直流操作的由JSL繼電器構成的二相式定時限保護的原理圖。若作為線路保護JSL應選擇JSL-11、12型;若用于變壓器、電動機過負荷保護,根據需要,在延時跳閘時選用JSL-11、12型;在延時發信號時選用JSL-13、14型繼電器。
2、采用交流操作電源

如上圖所示為由JSL繼電器構成的去分流操作機構的保護原理圖。若作為線路保護JSL應選擇JSL-15型;若用于變壓器、電動機過負荷保護、根據需要,在延時跳閘時選用JSL-15型;在延時發信號時選用JSL-16型繼電器。
二、JSL-23靜態過流繼電器使用注意事項
a、無輔助電源產品測試應注意方法:當用變壓器作為電流源時,要求變壓器的次級匝數與電流互感器的次數匝數相當,否則就會由于阻抗不匹配而產生較大的誤差。測試速動的動作速度時,若采用電流通斷法進行測量,由于繼電器內部工作電源需要一定的建立時間,會產生較大誤差,而在正常工作時,由于工作電源是存原的,速度會快得多。同理,在用通斷法測量延時時間時,也會產生誤差。
b、無輔助電源產品的動作指示:當繼電器的速斷出口和延時出口后,繼電器面板上的動作指示燈會保持動作記錄;在繼電器動作返回后,動作指示燈需手動復歸。
三、JSL-23靜態過流繼電器維修保養和貯存
1、維修保養無特殊要求,即當繼電器工作不正常或出現故障時,由工作人員立即進行更換,并送廠方進行檢修。
2、未用或備用之繼電器,應貯存在空氣流通且溫度不高于+55℃和不低于-25℃以及相對濕度不大于90%的環境中,庫房內應無酸堿鹽及腐蝕性或爆炸性氣體,不受塵埃及雨雪的侵襲。
公司介紹:上海上繼科技有限公司是一家專業從事電力系統繼電保護及智能電網電力自動化產品的研發、設計、生產、銷售和服務為一體的高科技公司。擁有資深繼電保護專家團隊和國內**的檢測儀器及校驗設備。同時還引用國內外先進技術,來進行技術創新。本公司的產品廣泛用于電力、工礦、鐵路、建筑等國家重大工程輸配變電系統上,產品遠銷東南亞及中東地區。產品通過國家繼電保護及自動化設備質量監督檢驗中心檢測,獲得ISO9001國際質量體系認證。“科技創新,誠信務實”是公司的經營理念,本公司以高超的技術支持和對用戶高度負責的售后服務贏得了輸配電成套企業的信賴,且樹立了良好的信譽。
公司主營:繼電器(時間繼電器,電壓繼電器,電流繼電器,中間繼電器,信號繼電器,閃光繼電器,沖擊繼電器,同步檢查繼電器,接地繼電器,差動繼電器,重合閘繼電器,絕緣監視繼電器,雙位置繼電器,模數化繼電器),智能操控裝置,微機保護裝置,電力儀表
上海上繼科技有限公司(專注電力保護繼電器生產廠家)銷售熱線:021-57233089 QQ:1932551438
{以上內容僅供參考,上海上繼科技有限公司有最終解釋權}
更多繼電器精彩文章——JL-43電流繼電器主要用途及產品價格
- 上一篇:JSL-22靜態過流繼電器
- 下一篇:JSL-24靜態過流繼電器





