JJJ-2A絕緣監視繼電器的原理及接線圖-上海上繼科技有限公司
發表時間:2019-06-20 09:27 瀏覽次數:1000 〖返回〗
一、JJJ-2A絕緣監視繼電器的概述
發電廠和變電所的直流系統接線復雜,從主控制室到戶外變配電現場的電纜數量多、接線復雜、距離長,發生二次接線接地和(直流)絕緣降低的機會較多,所以在直流系統回路中裝設絕生象監視裝置,以及時發現接地點和絕緣降低的情況來改變事故的發生。
HJJ系列靜態直流絕緣監視繼電器是我公司在原先的技術基礎上最新研發的新一代高靈敏度產品。該產品完全可以代替原電磁型常規型號無需改變任何線路,與電磁型相比更直觀、更可靠接線方式更多種方式遠遠滿足客戶需求。
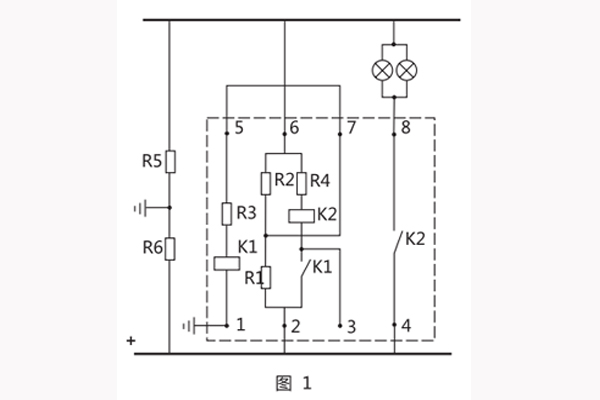
二、JJJ-2A絕緣監視繼電器的原理
R1、 R2 (R1=R2)為橋臂平衡電阻,R5、R6為直流母線對地絕緣電阻,靈敏元件K1跨接在地和平衡電阻之間。正常工作時,電橋平衡,靈敏元件上無電流通過。在一側絕緣電阻下降時,便有一不平衡電流通過靈敏元件,當不平衡電流達到一定值時便側絕緣電阻下降時,便有一不平衡電流通過靈敏元件,當不平衡電流達到一定值時便動作,再由繼電器出口觸點接通報警信號發信號如圖所示。

三、JJJ-2A絕緣監視繼電器的接線圖

本公司是一家專業從事電力系統繼電保護及智能電網電力自動化產品的研發、設計、生產、銷售和服務為一體的高科技公司。有著高超的售前技術支持和對用戶高度負責的售后完善服務。產品通過國家繼電保護及自動化設備質量監督檢驗中心檢測,獲得ISO-9001:2000國際質量體系認證。是值得社會及用戶信賴的公司。
上海上繼科技有限公司(專注電力保護繼電器生產廠家)銷售熱線:021-57233089 QQ:1932551438
{以上內容僅供參考,上海上繼科技有限公司有最終解釋權}
更多繼電器精彩文章——BG-11B功率繼電器





