ZJC-2沖擊繼電器的產品圖片及使用方法-上海上繼科技有限公司
發表時間:2019-09-05 14:14 瀏覽次數:622 〖返回〗
一、ZJC-2沖擊繼電器概述
ZJC-2靜態沖擊繼電器在輸配電線路中應用于直流操作的保護與控制中作為集中信號裝置的主要元件,也可以用于特殊信號設備中。
二、ZJC-2沖擊繼電器技術參數
1、最小沖擊動作直流電流: 0.015A;施加90%額定的最小沖擊動作電流,裝置應能可靠動作在-10°C~+50°C溫度下,沖擊動作電流不大于0.015A。
2、**沖擊穩定直流電流: 3.20A。
3、功率消耗:
a、工作回路功率消耗: DC48V時≤1.5W; DC110V時≤3W; DC220V時≤5.5W。
b、啟動回路功率消耗:沖擊直流電流為3.2A≤1.5W時。
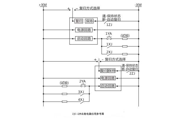
4、在一般情況下,繼電器處于自動復歸狀態,繼電器動作后保持5~10s自動復歸;需要保持時,將保持端與電源負端連接,手動復歸時,將復歸端與電源正端或負端接通一下,勿閉鎖。
注意: ZJC-3型功能和外部接線同ZC-23/A型 ,有斷電復lJ三1功能,但無自動復歸功能.若需此功能,訂貨時需注明;另如對最小沖擊電流、自動復歸時間等有特殊要求也需注明。
三、ZJC-2沖擊繼電器工作原理

1、工作原理
繼電器由變流取樣、執行、保持或延時自動復歸等部分組成(見圖1) ,裝有二只發光二極管,監視電源和執行狀況。當加入電源或復歸后需經1~2s時間充電,準備好下一次工作, 一旦啟動回路中有信號輸入,電流脈沖信號經變流取樣后,使執行部分工作并輸出信號,經保持或延時復歸部分延時后可實現保持或延時自動復歸、手動復歸等功能。
2、設計特點
本繼電器采用進口集成電路等電子元器件.靈敏度高、功耗小、性能穩定.既可啟動普通白織燈,也可啟動LED型節能信號燈,可自動復歸,也可手動復歸,可正電源復歸,也可負電源復歸,可通電復歸,也可斷電復歸,外部接線與老型號產品基本相同,減少了現場安裝工作量,是目前電力系統中理想的更新換代產品 。

四、ZJC-2沖擊繼電器的使用方法


公司介紹:上海上繼科技有限公司是一家專業從事電力系統繼電保護及智能電網電力自動化產品的研發、設計、生產、銷售和服務為一體的高科技公司。擁有資深繼電保護專家團隊和國內**的檢測儀器及校驗設備。同時還引用國內外先進技術,來進行技術創新。本公司的產品廣泛用于電力、工礦、鐵路、建筑等國家重大工程輸配變電系統上,產品遠銷東南亞及中東地區。產品通過國家繼電保護及自動化設備質量監督檢驗中心檢測,獲得ISO9001國際質量體系認證。“科技創新,誠信務實”是公司的經營理念,本公司以高超的技術支持和對用戶高度負責的售后服務贏得了輸配電成套企業的信賴,且樹立了良好的信譽。
上海上繼科技有限公司(專注電力保護繼電器生產廠家)銷售熱線:021-57233089 QQ:1932551438
{以上內容僅供參考,上海上繼科技有限公司有最終解釋權}
更多繼電器精彩文章——DZZ-17組合中間繼電器及技術要求





