JT-1同步檢查繼電器生產廠家及產品價格-上海上繼科技有限公司
發表時間:2019-09-17 10:19 瀏覽次數:946 〖返回〗
一、JT-1同步檢查繼電器生產廠家
上海上繼科技有限公司是一家專業從事電力系統繼電保護及智能電網電力自動化產品的研發、設計、生產、銷售和服務為一體的高科技公司。 公司依托國際大都市上海的優越環境,擁有資深繼電保護專家團隊,熟悉中國電網實際運行特點,聯合國內外**高校不斷引進國內外先進技術,積極響應市場的需求,技術不斷創新,堅持行業**地位,主要生產電力繼電器及微機綜合保護裝置,電力智能配電設備,變電站自動化監控系統。產品廣泛用于電力、工礦、鐵路、建筑等國家重大工程輸配變電系統上,產品遠銷東南亞及中東地區。
二、JT-1同步檢查繼電器概述
JT-1靜態同步檢査繼電器為靜態型瞬動繼電器,工作原理:通過數字電路處理處一個相位差(或電壓差)與設定值相比,達到同步檢査目的。
1型為相位檢査型,銘牌上數字設定值(整定值)單位為度。如是二個電壓的相位差或電壓矢量差大于銘牌上的設定值,繼電器瞬時動作。
三、JT-1同步檢查繼電器技術參數
1.整定范圍
純相位監測: 5°-175°
電壓矢量檢査型: 0V~99V
2.觸點容量 250VAC COSCP=1.0 5A
合閘 250VDC 5A
分閘 250VDC T=5mS 50W
3. 觸點壽命 電壽命不低于10萬次;機械壽命不低于100萬次。
4.介質強度 繼電器各導電端子連在一起,對外露非帶電部分或外殼之間能承受2000V(有效值) 50Hz的交流電壓歷時1分鐘
試驗而絕緣擊穿或飛弧現象。
5. 絕緣電阻 繼電器各導電端子連在一起,對外露非帶電部分或外殼之間,用開路電壓為500V的、兆歐表測量其絕緣電阻不小于
300M0。
6.工作環境 溫度-10°C~+50°C,相對濕度不大于90% ,海拔高度不大于2000M。
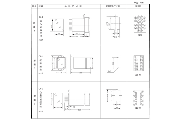
四、JT-1同步檢查繼電器開孔尺寸

五、JT-1同步檢查繼電器產品價格
公司一貫以“合理的價格,高質量的產品,準時的交貨期,良好的信譽服務”為基本準則。本公司期待成為你忠實的朋友和合作伙伴,共創互惠雙贏的未來!更多價格詳細內容請來電咨詢:021-57233089,如有任何疑問可以在線聯系公司客服。
公司介紹:上海上繼科技有限公司是一家專業從事電力系統繼電保護及智能電網電力自動化產品的研發、設計、生產、銷售和服務為一體的高科技公司。擁有資深繼電保護專家團隊和國內**的檢測儀器及校驗設備。同時還引用國內外先進技術,來進行技術創新。本公司的產品廣泛用于電力、工礦、鐵路、建筑等國家重大工程輸配變電系統上,產品遠銷東南亞及中東地區。產品通過國家繼電保護及自動化設備質量監督檢驗中心檢測,獲得ISO9001國際質量體系認證?!翱萍紕撔拢\信務實”是公司的經營理念,本公司以高超的技術支持和對用戶高度負責的售后服務贏得了輸配電成套企業的信賴,且樹立了良好的信譽。
上海上繼科技有限公司(專注電力保護繼電器生產廠家)銷售熱線:021-57233089 QQ:1932551438
{以上內容僅供參考,上海上繼科技有限公司有最終解釋權}
更多繼電器精彩文章——JY-33B電壓繼電器技術參數及產品圖片





