ZJJ-2C直流絕緣監視繼電器生產廠家及說明書-上海上繼科技有限公司
發表時間:2019-09-22 16:01 瀏覽次數:609 〖返回〗一、ZJJ-2C直流絕緣監視繼電器生產廠家
上海上繼科技有限公司是一家專業從事電力系統繼電保護及電力自動化的高新技術企業。公司主要生產各種微機綜合保護裝置,電力保護繼電器、電力儀表等產品。公司集研發、設計、生產、銷售和服務于一體,致力于為國內外輸配電、水利、城建、能源、礦山、化工客戶提供一整套從低壓到高壓、從硬件到軟件的系統級整體解決方案和配套服務。公司總部設在上海,全國各地設有辦事機構。

上海上繼領域非常廣,如:時間繼電器、中間繼電器、電流繼電器、電壓繼電器、信號繼電器、閃光繼電器、沖擊繼電器、同步繼電器、接地繼電器、雙位置繼電器、差動繼電器、重合閘繼電器、絕緣監視及其它繼電器等。今天主要講解時間繼電器中的一種ZJJ-2C直流絕緣監視繼電器。
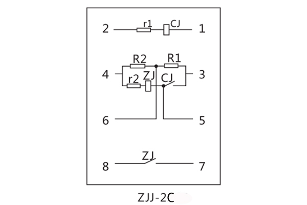
二、ZJJ-2C直流絕緣監視繼電器技術參數及接線圖
電壓等級和電流值: 220V、1.5mA; 110V、3.1mA;48V、6.3mA。
繼電器動作值:當母線任何一側對地絕緣電阻下降到下表值時,繼電器應靠動作。

觸點容量:在電壓不大于250V,電流不大于2A的直流有感負荷電路中(時間常數不大于5±0.75ms) ,斷開容量不大于50W。
觸點壽命:繼電器輸出接點在上條規定的負荷條件下,產品能可靠動作及返回104次。
功率消耗:不大于7.5W。

三、ZJJ-2C直流絕緣監視繼電器開孔尺寸

公司介紹:上海上繼科技有限公司是一家專業從事電力系統繼電保護及智能電網電力自動化產品的研發、設計、生產、銷售和服務為一體的高科技公司。擁有資深繼電保護專家團隊和國內**的檢測儀器及校驗設備。同時還引用國內外先進技術,來進行技術創新。本公司的產品廣泛用于電力、工礦、鐵路、建筑等國家重大工程輸配變電系統上,產品遠銷東南亞及中東地區。產品通過國家繼電保護及自動化設備質量監督檢驗中心檢測,獲得ISO9001國際質量體系認證。“科技創新,誠信務實”是公司的經營理念,本公司以高超的技術支持和對用戶高度負責的售后服務贏得了輸配電成套企業的信賴,且樹立了良好的信譽。
上海上繼科技有限公司(專注電力保護繼電器生產廠家)銷售熱線:021-57233089 QQ:1932551438
{以上內容僅供參考,上海上繼科技有限公司有最終解釋權}
更多繼電器精彩文章——BT-1B/160同步繼電器主要用途及技術條件





