JJJ-4B靜態直流絕緣監視繼電器生產廠家及技術要求-上海上繼科技有限公司
發表時間:2019-09-23 12:40 瀏覽次數:735 〖返回〗一、JJJ-4B靜態直流絕緣監視繼電器生產廠家
上海上繼科技有限公司是一家專業從事電力系統繼電保護及電力自動化的高新技術企業。公司主要生產各種微機綜合保護裝置,電力保護繼電器、電力儀表等產品。公司集研發、設計、生產、銷售和服務于一體,致力于為國內外輸配電、水利、城建、能源、礦山、化工客戶提供一整套從低壓到高壓、從硬件到軟件的系統級整體解決方案和配套服務。公司總部設在上海,全國各地設有辦事機構。

上海上繼領域非常廣,如:時間繼電器、中間繼電器、電流繼電器、電壓繼電器、信號繼電器、閃光繼電器、沖擊繼電器、同步繼電器、接地繼電器、雙位置繼電器、差動繼電器、重合閘繼電器、絕緣監視及其它繼電器等。今天主要講解時間繼電器中的一種JJJ-4B靜態直流絕緣監視繼電器。
二、JJJ-4B靜態直流絕緣監視繼電器技術參數
電流和直流電壓: (220V、1.5mA);(110V、3.1mA) ; (48V、6.3mA)。
繼電器動作值:當母線任何一側對地絕緣電阻下降到下表值時,繼電器應可靠動作并有相應的動作指示。

功率消耗:在直流220V額定電壓下繼電器動作后的功率消耗不大于5W。
熱穩定性(過載能力):繼電器可長期承受110%額定電壓。
工作壽命:產品可靠工作壽命為104。
介質強度:在基準條件下,產品各導電部分連在一起,對外露非帶電金屬部分及外殼之間,能承受交流有效值2000V/50HZ的試驗電壓歷時1分鐘,無絕緣擊穿或閃絡現象。
觸點性能:在電壓不超過250V,電流不超過2A,時間常數為5±0.75ms的直流有感負荷電路中產品輸出的斷開容量為50W。在電壓不大于250V,電流不大于1A的交流電路中功率因數為0.4±0.1)斷開容量為250VA。
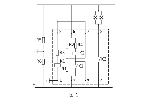
三、JJJ-4B靜態直流絕緣監視繼電器工作原理
R1、 R2 (R1=R2)為橋臂平衡電阻,R5、R6為直流母線對地絕緣電阻,靈敏元件K1跨接在地和平衡電阻之間。正常工作時,電橋平衡,靈敏元件上無電流通過。在一側絕緣電阻下降時,便有一不平衡電流通過靈敏元件,當不平衡電流達到一定值時便側絕緣電阻下降時,便有一不平衡電流通過靈敏元件,當不平衡電流達到一定值時便動作,再由繼電器出口觸點接通報警信號發信號如圖所示。

公司介紹:上海上繼科技有限公司是一家專業從事電力系統繼電保護及智能電網電力自動化產品的研發、設計、生產、銷售和服務為一體的高科技公司。擁有資深繼電保護專家團隊和國內**的檢測儀器及校驗設備。同時還引用國內外先進技術,來進行技術創新。本公司的產品廣泛用于電力、工礦、鐵路、建筑等國家重大工程輸配變電系統上,產品遠銷東南亞及中東地區。產品通過國家繼電保護及自動化設備質量監督檢驗中心檢測,獲得ISO9001國際質量體系認證?!翱萍紕撔?,誠信務實”是公司的經營理念,本公司以高超的技術支持和對用戶高度負責的售后服務贏得了輸配電成套企業的信賴,且樹立了良好的信譽。
上海上繼科技有限公司(專注電力保護繼電器生產廠家)銷售熱線:021-57233089 QQ:1932551438
{以上內容僅供參考,上海上繼科技有限公司有最終解釋權}
更多繼電器精彩文章——DZS-651中間繼電器工作原理及說明書





